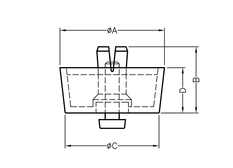
Snap-In Feet PE Ø20.0×15.0mm with PP rivet pin. Mounting hole Ø8mm. Flame Class UL94 HB. Chassis Thickness 1.0~3.0mm. Also available in TPR or TPV
FF-12
Foot with Lockpin
PE, TPR, TPV
94HB
Black, Computer, Gray
Would you like a sample or a quote? Or do you need a product that doesn’t exist? Contact us through one of the options below!
Subscribe to our newsletter and stay up to date with our latest developments.

To optimize our website and provide you with the best experience, we use cookies to store and process certain data. Your consent helps us understand browsing behavior and improve functionality. Not consenting or withdrawing consent, may adversely affect certain features and functions.