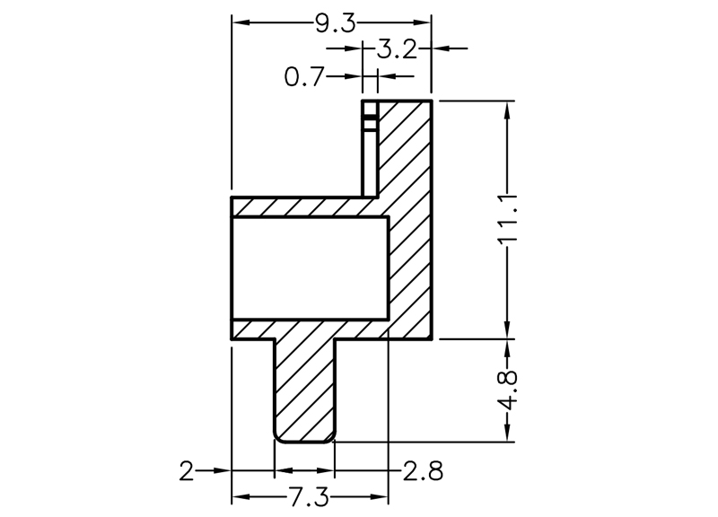
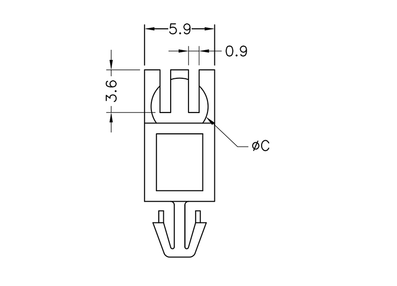
LED Support POM Right Angle PCB Mount for LED size 5mm(T-1¾) with Arrowhead for holesize Ø3.5mm. Centerline 7.5mm. The Arrowhead keeps the holder in place and relieves the stress on the leads of the LED . LED’s shown for Demo not included in holder
LEK-526
LED Mount Right Angle
POM
Black, Natural
| Part no. | Material | Color | A A | B Pitch | C Lead | D LED | Package |
|---|
Would you like a sample or a quote? Or do you need a product that doesn’t exist? Contact us through one of the options below!
Subscribe to our newsletter and stay up to date with our latest developments.

To optimize our website and provide you with the best experience, we use cookies to store and process certain data. Your consent helps us understand browsing behavior and improve functionality. Not consenting or withdrawing consent, may adversely affect certain features and functions.