Search our 10.000+ products database:

Unable to find what you’re looking for? Call us at +31 (0) 345 651937

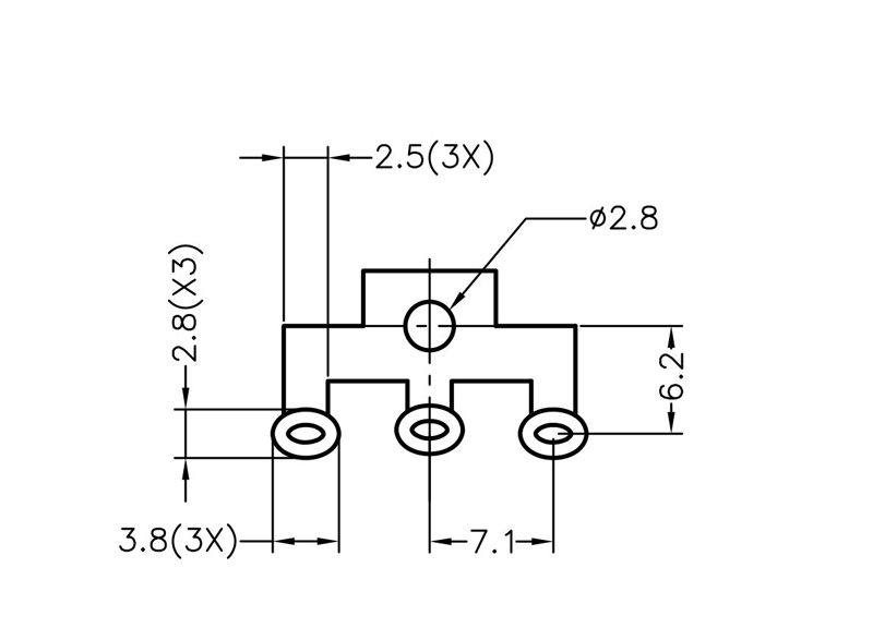
Angled Lightpipe

Press-Fit Vertical PCB Mount Light Pipe suitable for SMD LED’s. Round Oval Lens. Length 12.6mm. Material Transparent Polycarbonate.This Light guide is held in place via two press-in lugs

Part no.

LEM-28

Type

Angled Lightpipe

Material

PC

Flammability class

94V-0, 94V-2

Color

Transparent

Download 2D product drawing (PDF)

Download

Download 3D product drawing (CAD)

Please contact us

Our Services

Would you like a sample or a quote? Or do you need a product that doesn’t exist? Contact us through one of the options below!

Newsletter

Subscribe to our newsletter and stay up to date with our latest developments.

Newsletter subscription
Sending