Search our 10.000+ products database:

Unable to find what you’re looking for? Call us at +31 (0) 345 651937

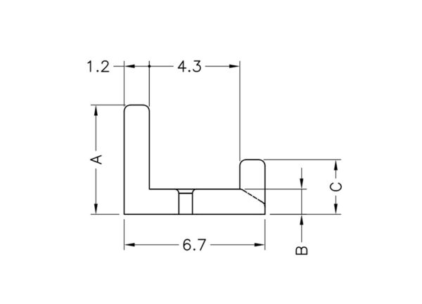
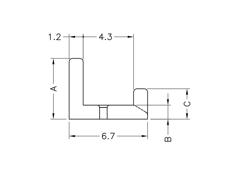
Photo Transistor Mount

Infrared Receiver Mount . Spacer height 1.2mm. This holder prevents the photodiode pins from bending and maintains the phototransistor in an upright position at a fixed height above the PCB.

Part no.

TRAC-1.2

Type

Photo Transistor Mount

Material

Nylon 66

Flammability class

94V-0, 94V-2

Color

Black, Natural

Download 2D product drawing (PDF)

Download

Download 3D product drawing (CAD)

Please contact us

Our Services

Would you like a sample or a quote? Or do you need a product that doesn’t exist? Contact us through one of the options below!

Newsletter

Subscribe to our newsletter and stay up to date with our latest developments.

Newsletter subscription
Sending